MĚŘENÍ NAPĚTÍ,PROUDU,PŘÍKONU
S TLC549
Vágner Vlastimil
Převodník se připojuje na sériový port počítače PC který slouží s obslužnými programy pro ovládání A/D převodníku,zároveň slouží jako zobrazovací jednotka.Převodník je vyroben hlavně pro potřebu měření napětí,proudu a výpočtu příkonu spotřebiče,je možné ho využít pro měření na solárních panelech a pro jiná měření.Během měření jsou hodnoty ukládány do souboru pro pozdější vyhodnocení nebo je možné pouze měřit na zařízeních napájených DC napětím.Rozsah měření převodníku je od 0V do +5VDC a od 0V do +50V DC,převodník si neklade za cíl konkurovat profesionálním továrním přístrojům,umožňuje využít TLC549 pro běžná měření.Ti kdož programují si jistě napíší vlastní program pro požadovanou aplikaci přípravek má sloužit pro vlastní inspiraci.
POPIS PŘEVODNÍKU
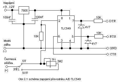
Schéma zapojení převodníku je na obrázku č.01 jde o základní a dlouhodobě odzkoušené zapojení,napájení je ze zdroje 9V nebo z baterie 9V toto napětí je pro napájení převodníku stabilizováno stabilizátorem 7805 na hodnotu 5V.Vstupní signály z počítače PC jsou na vhodnou napěťovou úroveň vstupů TLC549 přizpůsobený rezistory a zenerovými diodami na napětí 4.7V.Měřící vstup A/D je blokován rezistorem proti zápornému napětí(-)/GND a je připojen na přepínač volby rozsahů od 0V do +5V a od 0V do +50V vstup od 0V do +5V zapojen přímo na vstup A/D převodníku.Rozsah vstupního napětí od 0V do +50V je zapojen přes víceotáčkový trim 2M2 tímto trimrem se nastavuje hodnota vstupního měřícího napětí na vstup převodníku pro napětí vyšší než je +5V.

BOČNÍKY NA MĚŘENÍ PROUDU
Bočníky jsou zhotoveny z více výkonových rezistorů zapojených paralelně pro vyšší výkon s kovovou vrstvou s výhodou lze použít staré zásoby Ruských MLT,v případě použití drátových rezistorů při dlouhodobém měření proudu a plném zatížení je nutno počítat se změnou hodnoty rezistoru vlivem oteplení,nebo použít nucené chlazení rezistorů schéma zapojení je na obrázku č.02.Bočníky jsou celkem dva jeden s hodnotou 1R a druhý s hodnotou 10R a patřičným výkonem který bude odpovídat použitému měření proudu.V mém případě jsou použity pro hodnotu 1R čtyři rezistory s hodnotou 4R/10W což dává v paralelním zapojení rezistorů 1R/40W.Bočník 10R je složen z dvou rezistorů 20R/10W což v paralelním zapojení dává 10R/20W.Výroba bočníků je čistě individuální věc pouze je dobré pro přesnější měření proudu dodržet vždy hodnotu bočníků 1R a 10R pro co nejmenší úbytek napětí na bočníku a tím přesnější měření,úbytek napětí se snadno spočítá dle Ohmova zákona.
POPIS PROGRAMŮ
Programy jsou odladěny v Turbo Pascalu jsou ve dvou variantách všechny jsou uloženy v adresáři TLC549 zde jsou další dva adresáře jeden má název MEŘENÍ_A a druhý MĚŘENÍ_B.Programy jdou spustit pod OS DOS,WINDOWS95/98 zde jdou spustit z příkazové řádky nebo po spuštění (restartu) počítače a stisku klávesy F8 zvolit volbu POUZE DOS,pokud jsou na počítači OS Windows 2000XP/NT jdou programy spustit pouze z příkazové řádky pokud jsou Windows řádně nainstalovány ve 32-bitové verzi.Rozdíl v programech je pouze jeden v adresáři MĚŘENÍ_A je při volbě zápisu do souboru umožněno zadat si jméno souboru a ukládat naměřené hodnoty po jedné vteřině až po další uložení naměřené hodnoty do souboru jednou za měsíc program ukládá naměřené hodnoty do paměti a až po naplnění jsou hodnoty teprve průběžně zapisovány do souboru.Po ukončení programu stiskem klávesy MEZERNÍK nebo ESC se teprve soubor uzavře to znamená například při ztrátě napětí napájejícího počítač jsou data co jsou zatím v paměti ztraceny,tento způsob je vhodné používat pokud jde o krátká měření a je potřeba mít hodně údajů.Další programy na měření bez ukládání do souboru jsou shodné jako v druhém adresáři,v adresáři MĚŘENÍ_B je při volbě ukládání hodnot do souboru nejmenší zadatelná hodnota pět vteřin až po další uložení naměřené hodnoty do souboru jednou za měsíc.V tomto případě je naměřená hodnota okamžitě uložena do souboru a tento je předvolený a má název naměřeno.txt programy na měření v adresáři MĚŘENÍ_B si ho sami vytvoří po spuštění tak že po spuštění měření a zápisu do souboru se soubor okamžitě vytvoří pokud je vytvořen předešlým měřením se zápisem do souboru další zápis pokračuje dále.Hodnoty ukládání jsou v obou typech zápisu shodné po spuštění například měření napětí je v souboru zapsáno START MĚŘENÍ NAPĚTÍ DO 5V NEBO NAD 5V stejně tak je zapsáno pokud se měří proud pouze je místo MĚŘENÍ NAPĚTÍ ZOBRAZENO MĚŘENÍ PROUDU DO nebo NAD 5V stejný nápis je i při měření příkonu zde se opět zobrazí měření PŘÍKONU DO NAD 5V ukončení měření je ukončeno v souboru zápisem STOP.V případě spuštění měření bez zápisu do souboru je na monitoru zobrazováno o jaký typ měření jde „ NAPĚTÍ , PROUD , PŘÍKON „ a zda jde o měření do 5V nebo nad 5V.
POPIS SOUBORŮ : názvy souborů
jsou psány bez diakritiky
Soubor ODECET.EXE po spuštění programu tento vytvoří název souboru cas.hod
zde se zadává hodnota mezi ukládáním naměřených hodnot do souboru.Hodnotu
zadáváme ve vteřinách.Příklad chceme ukládat naměřené hodnoty po 5minutách tak
zadáme 300,výpočet jedna minuta má šedesát vteřin pět minut tedy 5 * 60 =
300.Stejně postupujeme pokud chceme ukládat například po jedné nebo více
hodinách.Upozornění
soubor s názvem cas.hod se musí nacházet ve stejném adresáři jako zbývající
programy to znamená napeti.exe,proud.exe,prikon.exe.
Soubor ODPOR.EXE po spuštění programu tento vytvoří soubor s názvem ohm.dat zde se zadává hodnota rezistoru použitého jako bočník.Hodnotu můžeme zadávat i na čtyři desetinná místa. Upozornění soubor s názvem ohm.dat se musí nacházet ve stejném adresáři jako zbývající programy to znamená napeti.exe,proud.exe,prikon.exe.
Soubor NAPETI.EXE Vlastní program na měření napětí pomocí převodníku TLC549,umožňuje měření se zápisem do souboru nebo pouze měření napětí.Při měření musí být zadaná hodnota v souboru cas.hod.I v případě že pouze měříme bez zápisu do souboru jinak program ohlásí chybu.
Soubor PROUD.EXE Vlastní program na měření proudu pomocí převodníku TLC549,umožňuje měření se zápisem do souboru nebo pouze měření proudu program využívá údaj ze souboru cas.hod a ze souboru ohm.dat.Při měření proudu musí být připojen vhodný bočník 1R nebo 10R a v souboru ohm.dat musí být shodná hodnota jako je hodnota bočníku.To znamená že při použití bočníku 1R musí být v souboru ohm.dat zadaná pomocí programu odpor.exe hodnota 1.V případě že nemáme zadané hodnoty v cas.hod a ohm.dat program po spuštění ohlásí chybu.
Soubor PRIKON.EXE Vlastní program na měření příkonu pomocí převodníku TLC549,umožňuje měření se zápisem do souboru nebo pouze měření příkonu program využívá údaj ze souboru cas.hod a ze souboru ohm.dat.Při měření příkonu musí být připojen vhodný bočník 1R nebo 10R a v souboru ohm.dat musí být shodná hodnota jako je hodnota bočníku.To znamená že při použití bočníku 1R musí být v souboru ohm.dat zadaná pomocí programu odpor.exe hodnota 1.V případě že nemáme zadané hodnoty v cas.hod a ohm.dat program po spuštění ohlásí chybu.
Programy v obou adresářích MĚŘENÍ_A a MĚŘENÍ_B mají shodné ovládání postup je následující,jako první spustíme program ODECET.EXE a zadáme hodnotu po jaké se budou ukládat naměřené hodnoty pro začátek zadáme hodnotu 10,což je deset vteřin po zadání stiskneme ENTER program vytvoří soubor cas.hod a ukončí se.Jako druhý spustíme program ODPOR.EXE a zadáme hodnotu dle použitého bočníku a stiskneme ENTER program vytvoří soubor ohm.dat a ukončí se.Uvedené soubory cas.hod a ohm.dat se musí nacházet v adresáři(adresářích) kde máme programy napětí.exe,proud.exe,příkon.exe
Ovládání programu napětí.exe programy proud.exe a příkon.exe mají shodné ovládání v obou adresářích.Po spuštění zvolíme sériový port kde je připojen převodník tuto volbu provedeme stiskem klávesy <1>,<2>,<3>,<4> stiskem klávesy 1 volíme port COM1,stiskem klávesy 2 volíme port COM2 atd.Po volbě portu se zobrazí volba ZVOL ROZSAH <D>O 5V , <N>AD 5V.volbu podvedeme stiskem klávesy D volba do 5V nebo stiskem klávesy N volba nad 5V,pokud je zvolena tato volba přepínač rozsahů 5V,50V musí být přepnut do polohy 50V.Po volbě se zobrazí volba zapisovat do souboru <A>NO <N>E stiskem klávesy A volíme zapisovat do souboru N volíme nezapisovat do souboru tj. pouze měření.V případě spuštění programu v adresáři MĚŘENÍ_A jsme po volbě zapisovat do souboru vyzváni k zadání jména souboru zde zadáváme maximální počet názvu souboru 8znaků,pokud je program spuštěn v adresáři MĚŘENÍ_B jméno souboru je předvoleno.Po zadání volby zapisovat do souboru nezapisovat program již měří zvolenou hodnotu.v případě spuštění měřících programů v adresáři MĚŘENÍ_B po stisku klávesy MEZERNÍK máme možnost zvolit nový rozsah.Po stisku klávesy ESC se program ukončí.Pokud jsou programy na měření spuštěny v adresáři MĚŘENÍ_A tak se po stisku klávesy MEZERNÍK nebo ESC program zcela ukončí.
OŽIVENÍ PŘEVODNÍKU
Po osazení DPS součástkami vytočíme trim 2M2 tak aby běžec trimru byl u krajního vývodu zapojeného na vstup A/D převodníku,poté provedeme zapojení kabelu na propojení A/D signály z a do počítače.Propojíme kabel z převodníku s PC připojíme napájecí napětí 9V převodník přepneme na rozsah od 0V do +5V na počítači spustíme program voltmetr z adresáře MĚŘENÍ_B zvolíme port kde je připojený převodník,navolíme rozsah do +5V a volbu neukládat do souboru.Poté na vstup převodníku připojíme ze zkušebního zdroje napětí DO +5V MAXIMÁLNĚ a na monitoru již čteme hodnotu měřeného napětí toto napětí porovnáme s měřícím přístrojem pro kontrolu.Nyní odpojíme od převodníku vstupní napětí a stiskneme mezerník tím ukončíme měření na rozsahu od 0V do +5V.Na zdroji nastavíme výstupní napětí podle kalibračního voltmetru přesně 10V,na počítači ve spuštěném programu voltmetr zvolíme volbu nad +5V přepínačem VOLBY ROZSAHŮ PŘEPNEME NA ROZSAH NAD 5V TJ. ROZSAH +50Vna vstup převodníku připojíme nastavené napětí 10V a pomocí trimru nastavíme stejnou hodnotu na monitoru počítače.Po nastavení shodné hodnoty na kalibračním voltmetru a monitoru počítače na zdroji zvýšíme hodnotu na 20V a opět porovnáme zobrazované hodnoty na kalibračním voltmetru a monitoru PC,po ukončení měření zde do MAXIMÁLNĚ +50V odpojíme od převodníku napětí a program ukončíme stiskem klávesy ESC tím to je oživování převodníku ukončeno.
MĚŘENÍ NAPĚTÍ
Vždy začínáme měřit napětí na rozsahu NAD +5V přepínač rozsahů na převodníku je přepnut do polohy označené +50V pokud neznáme hodnotu napětí měřeného zdroje.Převodník propojíme s počítačem zapneme spustíme program na měření napětí zvolíme rozsah a zda budeme nebo nebudeme zapisovat do souboru záporný pól zdroje (-) připojíme na záporný pól převodníku MODRÁ zdířka a kladný pól zdroje (+) připojíme na červenou zdířku převodníku.Na monitoru se pak již zobrazuje měřená hodnota.Pokud je hodnota měřeného napětí v rozsahu 0V až +5V odpojíme kladný pól zdroje od převodníku stiskneme mezerník přepínač rozsahů na převodníku přepneme do polohy DO 5V na počítači zvolíme volbu DO5V připojíme kladný pól zdroje k převodníku a měříme napětí.

MĚŘENÍ PROUDU
Zdroj na kterém chceme měřit proud zátěže připojíme kladným vývodem na bočník a vývod z bočníku připojíme na zátěž,záporný pól zdroje připojíme přímo na zátěž.V případě že neznáme výstupní napětí zdroje přepínač volby rozsahů na převodníku přepneme na rozsah +50V.Připojíme převodník k počítači zapneme napájení převodníku,spustíme program na měření proudu zvolíme rozsah nad +5V zvolíme volbu bez zápisu nebo s zápisem do souboru ZKUŠEBNÍMI VODIČI PŘIPOJÍME ČERVENOU ZDÍŘKU NA PŘEVODNÍKU NA BOČNÍK TAM KDE JE PŘIPOJEN KLADNÝ PŘÍVOD (+) OD ZDROJE,MODROU ZDÍŘKU (-) NA PŘEVODNÍKU PŘIPOJÍME NA BOČNÍK KDE JE VÝVOD NA ZÁTĚŽ.Po připojení se již zobrazuje celkový měřený proud elektrického obvodu,po ukončení měření odpojíme převodník od bočníku,ukončíme program a pokud potřebujeme vyměnit bočník provedeme výměnu bočníku NESMÍME VŠAK ZAPOMENOUT ZMĚNIT HODNOTU I V SOUBORU OHM.DAT dle hodnoty bočníku.

MĚŘENÍ PŘÍKONU
Měření příkonu je shodné s měřením proudu,postup zapojení převodníku k zátěži a zdroji je shodné se zapojením pro měření proudu.Pouze se místo spuštění programu na měření proudu spustí program příkon.Je možné při měření proudu přímo ukončit program na měření proudu a spustit program příkon.

MĚŘENÍ PŘÍKONU
MĚŘĚNÍ NAPĚTÍ

Zobrazená hodnota při měření napětí
MĚŘENÍ PROUDU

Zobrazená hodnota při měření proudu

Měřící modul s TLC 549
Použitá literatura :
Martin Kvoch programování vTurbo Pascalu V.7
Datasheet k IO TLC549
Bližší informace na : vagnervlastimil@seznam.cz
Tel: +420 607 405 007
Popis k převodníku dokončen dne : 25.11.2009
Hodně zábavy a naměřených hodnot s modulem
Vágner
Vlastimil