JEDNODUCHÁ NABÍJEČKA – VYBÍJEČKA NI-CD,NI-MH
Vágner Vlastimil
Tato nabíječka je určená pro nabíjení celkem čtyř sad baterií nebo jednotlivých článků NI-CD a NI-MH i jiných baterií desetinou proudu z kapacity připojené baterie každá sada může být nabíjena jiným proudem a vznikla na přání kolegy lodního modeláře.Maximální nabíjecí proud je u této nabíječky do 1A tento je určen použitým transformátorem a použitými tranzistory s rezistory zapojenými v jejich emitorech.Vybíjecí proud je nastaven trvale použitou hodnotou rezistorů a vybíjená baterie se připojuje do zdířek označených NAB/VYB,pro ty kdož chtějí používat při vybíjení počítač který ukončí vybíjení při zadaném konečném napětí je určeno druhé zapojení přípravku včetně obslužných programů.Ti kdož programují si určitě napíší svůj vlastní program pro ovládání.
POPIS PŘÍPRAVKU
Nabíječka je napájena ze zdroje který tvoří transformátor jehož volba je čistě individuální dle potřebných nabíjecích proudů,tento je na primární straně jištěný pojistkou PO1 a zapnutí je signalizováno led diodou D1.Sekundární napětí je usměrněno diodovým můstkem vyhlazeno kondenzátory C1,C2 a výstup stejnosměrného napětí je jištěno pojistkou PO2 schéma zapojení zdroje je na obrázku č.02.Schéma zapojení nabíječky je na obrázku č.01 usměrněné napětí je připojeno na stabilizátor 78S05 který stabilizuje napětí na hodnotu 5V a toto napětí je signalizováno led diodou D2 pro nastavování nabíjecího proudu tento se nastavuje pomocí potenciometrů P1 až P4 které ovládají báze tranzistorů T1 až T4.Kladné napětí ze zdroje je dále připojeno na anodu diody D6 tato zabraňuje vybíjení nabíjené baterie při náhodném výpadku el.proudu při nabíjení baterií z katody diody D6 je kladné napětí přivedeno na jedny krajní vývody přepínačů označených PŘ.1A až PŘ.4A.Současně je kladné napětí z katody D6 připojeno přes ampérmetr na druhé krajní vývody přepínačů označených PŘ.1A až PŘ.4A takto zapojené přepínače umožňují nastavení nabíjecího proudu u každé nabíjené baterie zvlášť,současně je připojen na tuto větev i voltmetr.Střední vývody přepínačů PŘ.1A až PŘ.4A jsou připojeny na červené zdířky označené ve schématu červeně 1,2,3,4 jsem se připojují kladné vývody z nabíjených baterií.Záporný napájecí pól (-) je připojen z kolektorů T1 až T4 na černé zdířky označené ve schématu modře 1,2,3,4 jsem s připojují záporná napětí z nabíjených baterií současně je z těchto zdířek provedeno připojení středních vývodů přepínačů označených PŘ.2B až PŘ.4B které pokud jsou přepnuty do pracovních poloh připojují druhý vývod voltmetru na záporný pól napájení (-).Ze zdířek označených NAB/VYB je vyvedeno propojení na přepínač označený PŘ.5A a PŘ.5B (TENTO DOPORUČUJI OZNAČIT JAKO TEST BATERIE) pro vybíjení připojené baterie přepnutím tohoto přepínače do pracovní polohy ZAP a připojením baterie je tato vybíjena přes vybíjecí rezistor označený RB.VYB hodnota tohoto rezistoru ovlivňuje vybíjecí proud daný napětím vybíjené baterie PŘI VYBÍJENÍ BATERIE BEZ POČÍTAČE SE MUSÍ ZAJISTIT TO ABY NEDOŠLO K NADMĚRNÉMU VYBITÍ PŘIPOJENÉ BATERIE,toto vybíjení před nabíjením je vhodné pro baterie nabíjené převážně v rychlonabíječkách.Velikost nabíjecího proudu se nastavuje pomocí potenciometrů P1 až P4 které ovládají báze tranzistorů T1 až T4 jde o DARLONGTONOVY TRANZISTORY jež mají v emitorech zapojeny rezistory označené RB1 až RB4 (REZISTORY označené RB.VYB a RB1 až RB4 jsou složeny ze dvou rezistorů zapojených paralelně) tyto jsou pak připojeny na záporný pól napájení tyto rezistory ovlivňují velikost nabíjecího proudu.Rezistory označené RBA a TP1 jsou součástí ampérmetru.
MĚŘENÍ NAPĚTÍ
BATERIE BEZ ZATÍŽENÍ
Nabíječku nepřipojujeme na napětí vypínač
označený VP1 necháme vypnutý do zdířek je libovolné do jakých připojíme baterii
do červené zdířky připojíme kladný pól baterie do černé zdiřky připojíme
záporný pól měřené baterie a dle příslušných zdířek s připojenou baterií
pak přepneme přepínač do polohy ZAP.a na voltmetru přečteme napětí připojené
baterie.PŘEPÍNAČ OZNAČENÝ TEST BATERIE MUSÍ BÝT
V POLOZE VYP.Označení přepínače ve schématu
je PŘ.5A,PŘ.5B
MĚŘENÍ NAPĚTÍ BATERIE PŘI ZATÍŽENÍ
Nabíječku nepřipojujeme na napětí vypínač
označený VP1 necháme vypnutý do zdířek označených NAB./VYB. Připojíme testovanou baterii kladný pól baterie
připojíme do červené zdířky a záporný pól od testované baterie do černé zdířky
poté přepneme přepínač označený test baterie do polohy zapnuto,na voltmetru
čteme napětí baterie při zátěži a ampérmetr nám ukazuje vybíjecí proud.OSTATNÍ PŘEPÍNAČE MUSÍ BÝT
V POLOZE VYPNUTO!!!!.
NABÍJENÍ BATERIÍ
Popsaný postup bude pro dva články
(baterie) každý je připojený do jednoho výstupu nabíječky stejně se postupuje i
pokud se nabíjí jeden článek (baterie) z jednoho výstupu nabíječky nebo jsou obsazeny všechny čtyři výstupy z
nabíječky.Postup je následovný potenciometry na nastavení proudu vytočíme na
nejnižší hodnotu tj.do polohy MIN.(proti směru hodinových ručiček),přepínač označený TEST BATERIE MUSÍ BÝT V POLOZE VYPNUTO
! stejně tak musíme mít i přepínače označené ve schématu PŘ.1 až PŘ.4
v poloze VYP.,vypínač označený VP1
zapneme do zvolených zdířek připojíme nabíjený článek (baterii) přepínač kde je
připojená baterie přepneme do polohy ZAP.,potenciometrem nastavíme požadovaný
proud a přepínač co jsme přepnuli do polohy ZAP.opět přepneme do polohy
VYP.Nyní připojíme další článek (baterii) do dalšího výstupu nabíječky opět
přepneme přepínač do polohy ZAP.,potenciometrem nastavíme požadovaný proud poté
opět přepínač přepneme do polohy VYP.
SCHÉMA ZAPOJENÍ ZDROJE

Seznam součástek zdroje :
VP1…..přepínač dvojitý typ: KNX2 ,
pojistkové pouzdro PO1,PO2 typ : DP04J
Kondenzátory C1 typ: CFAC…330nF , C2,C3..elektrolytický
typ: ELRA 2200uF/35V
Led dioda LED1 typ: L53SGC , držák led
typ: RTF5010 , diodový můstek D1-D4
Typ : KBU8J , dioda D5 typ: 4007 ,
rezistor R1 :typ R0207 …220R ,
Transformátor : 230V/15V – 20VA nebo
dle vlastního požadavku na nabíjecí proud,
SCHÉMA ZAPOJENÍ NABÍJEČKY – VYBÍJEČKY
Verze bez použití počítače při vybíjení
Seznam součástek nabíječky/vybíječky :
Přepínač dvojitý typ : KNX2 ….5KS,
chladiče typ : 7142C-BLK ……5KS,
Zdířky typ : SV22 BLK….5KS, SV22
RED…..5KS, držák led typ : RTF5010 ,
Voltmetr typ : MP45 ….30V DC,
ampérmetr typ : MP45….3A DC, Led dioda typ : L53SGC
Rezistor R2 typ : R0207 …330R,
BOČNÍKY
: RB.VYB typ : TR272(UR006)…22R/15W…2KS,
RB1 až RB4 typ :TR272
(UR006)…..15R/15W……8KS ,
bočník RBA (součást ampérmetru) ,
Potenciometr P1 až P4 typ : P162MC
.1K..4KS , , knoflíky na potenciometry….4KS
typ : S8878 BLK , Dioda D6 typ :
BY399 , stabilizátor typ : 78S05
kondenzátory C4,C5 keramika 100nF , tranzistory
T1 až T4 typ : BD679…4KS
všechny součástky nakoupeny u EZK
ZAPOJENÍ NABÍJEČKY – VYBÍJEČKY
Verze s použitím počítače PC při
vybíjení
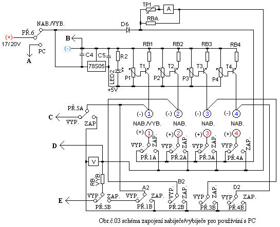
Zapojení nabíječky je na obrázku č.03 zapojení je shodné s původním
zapojením pouze je doplněn v zapojení přepínač označený PŘ.6.Tento
přepínač přepíná kladné napájení při vybíjení baterií do voltmetru a napájení relé,přepínač
musí mít kontakty dimenzovány na proud kterým se nabíjejí články.V zapojení je
použito přepínače typ : PP2X10A
jde o přepínač na proud maximálně 10A.Relé RE1 ovládané počítačem PC je
umístěno v nabíječce/vybíječce a z modulu voltmetru je vyveden signál
TXD.

Na schématu jsou dále označeny vývody
které se propojí s modulem voltmetru a relé.Modul voltmetru ovládaný
počítačem je řešen jako samostatný modul tak že se dá používat samostatně se
všemi programy na tomto webu které využívají integrovaný obvod TLC549.Programy
využívají stejné signály počítače PC na sériovém portu.
POPIS MODULU VOLTMETRU A PROGRAMŮ
Přípravek umožňuje měřit stejnosměrná napětí od 0 do +5V= a od 0V do +50V=.Vybíječ je určen k vybití článků na stejnou hodnotu napětí před nabíjením vybíjení je řízeno počítačem.Přípravek se připojuje na sériový port COM pokud je na počítači pouze USB tak převodník USB/COM musí podporovat všechny vstupy/výstupy sériového rozhraní.
Modul voltmetru je umístěn ve společné krabici nabíječky/vybíječky a je napájen ze společného zdroje nabíječky/vybíječky s počítačem je propojen kabelem na použité vstupy/výstupy sériového portu,je možné modul voltmetru udělat do samostatné krabičky a s nabíječkou/vybíječkou provést propojení pomocí vícežilového kabelu..Voltmetr je tvořen jedním integrovaným obvodem TLC549 jedná se o osmibitový A/D převodník ovládání převodníku zajišťuje počítač výstupy DTR a RTS,výstup DTR je připojen přes rezistor R3 a stabilizační diodu D1 na vstup č.7 CLK IO TLC549.Dioda D1 upravuje vstupní napětí z vývodu DTR na napětí do 5V,rezistor R3 omezuje proud tekoucí diodou D1.Výstup RTS je připojen přes rezistor R4 a stabilizační diodu D2 na vstup č.5 CS IO TLC549,tento vstup přepíná mezi režimy čtení a převodu,rezistor R4 a dioda D2 má stejnou funkci jako rezistor R3 a dioda D1.Měřené napětí je snímáno počítačem na vstupu CTS,vstup kladného referenčního napětí na vývodu č.1 IO TLC549 je spojen vývodem č.8 na napájecí napětí(+5V),záporné referenční napětí na vývodu č.3 IO TLC549 je spojen s vývodem č.4 a připojen na záporné napájecí napětí (-5V),tímto je dána i rozlišovací schopnost IO TLC549 a ta je 0.02V.Převodník je napájen stabilizovaným napětím 5V toto napětí je stabilizováno IO MAA7805.Vstup měřeného napětí na A/D je veden na přepínač kterým se přepínají rozsahy 0 až 5V= a rozsah 0 až 50V=,při rozsahu do 5V je vstupní napětí přivedeno z přepínače na vstup IO č.2 přes rezistory R1 a R2.Při rozsahu 0 až 50V je měřené napětí přivedeno z přepínače rozsahů na trim TP1 a z něho na rezistor R1.Trim TP1 s rezistorem R1 tvoří při rozsahu 0 až 50V napěťový dělič,z tohoto děliče je měřené napětí přivedeno na rezistor R2 a z něho na vstup č.2 IO TLC549.Schéma zapojení voltmetru je na obrázku č.04
Vybíjecí část je tvořena z relé RE1.Výstup z
počítače je veden přes rezistor R5 na bázi tranzistoru T1,signalizace zapnutí výstupu
TXD z počítače a tím i zapnutí relé RE1 je tvořena rezistorem R6 a led diodou
D5.Dále je zde i blokovací dioda do báze tranzistoru T1 D3,cívka relé RE.1 je
blokována diodou D4.Schéma zapojení vybíjecí části je na obrázku č.05.
Po
osazení součástek voltmetru do desky plošného spoje si vyrobíme propojovací
kabel mezi voltmetrem a počítačem a ten zaletujeme do desky voltmetru podle
schématu a desku omyjeme lihem.Na druhý konec kabelu zapojíme konektor podle
toho jaký máme sériový výstup com z počítače tj.9pinů nebo 25 pinů.Po ukončení
montáže a propojení desek si připravíme regulovatelný zkušební zdroj aspoň do
20V=,Voltmetr DMM na kalibraci měřených napětí.Vstup označený na převodníku D1 propojíme přímo s vývodem D,přepínač rozsahů přepneme na rozsah 0
až +5V=.Trim TP1 vytočíme na největší ohmickou hodnotu, propojíme počítač s
voltmetrem kabelem do volného sériového portu voltmetr připojíme na napájecí
zdroj přepínačem PŘ.6.Na zkušebním zdroji nastavíme podle (kalibračního) DMM
voltmetru 1V.Na počítači spustíme program dmm.exe
podle nápovědy zvolíme sériový port na který jsme připojili kabel z
voltmetru,po volbě portu zvolíme rozsah Do 5V tuto volbu provedeme stiskem klávesy
!! D !!.Do zdířek na nabíječce označených NAB./VYB připojíme měřené napětí ze
zkušebního zdroje do červené zdířky připojíme kladný pól zdroje a do modré
zdířky záporný pól zkušebního zdroje.Na monitoru se nám zobrazí hodnota měřeného
napětí které by mělo být shodné i na kalibračním voltmetru.Nyní zvětšíme napětí
na zkušebním zdroji na 3V a na monitoru by se mělo zobrazit shodné napětí jako
na kalibračním voltmetru.Nyní nastavíme Maximální hodnotu napětí a ta je na
tomto rozsahu 5V a znovu porovnáme.Při oživování nastavujeme vždy celé
hodnoty zkušebního napětí.Po této kontrole odpojíme vyrobený voltmetr od
zkušebního napětí,na zkušebním zdroji nastavíme přesně 10V podle
kalibračního voltmetru,stiskem klávesy mezerník na klávesnici počítače ukončíme
měření na rozsahu do 5V a stiskem klávesy Nad 5V tuto volbu provedeme stiskem
klávesy !! N !!zvolíme rozsah do 50V.Přepínač rozsahů přepneme na rozsah
50V,nastavené napětí na zkušebním zdroji připojíme opět do zdířek označených na
nabíječce/vybíječce NAB./VYB.,a trimrem TP1 nastavíme podle kalibračního voltmetru
shodný údaj na monitoru počítače nastavené napětí musí být přesně 10V.Po
tomto nastavení již můžeme měnit na zkušebním zdroji napětí a jeho hodnota se
nám bude zobrazovat na monitoru počítače.Maximální napětí které můžeme programem
dmm.exe pokud si upravíme zapojení
v nabíječce/vybíječce na tomto rozsahu připojit je 50V.Tím je nastavení a
kalibrace voltmetru hotova ODSTRANÍME
PROPOJKU MEZI „D1 A D“ CO
JSME OSADILI PŘED KALIBRACÍ a můžeme ho používat,při používání je vhodné
začínat měřit neznáme napětí na rozsahu 50V a pokud je měřené neznámé napětí
nižší jak 5V tak teprve přepnou rozsah do 5V.
Programy
jsou určeny pod operační systém MS-DOS,v případě že na počítači je operační systém
Windows 95/98 máme možnost buď spustit program z příkazové řádky nebo při
spuštění počítače stiskem klávesy F8 zvolit volbu jen MS-DOS,pokud je na
počítači operační systém Windows 2000 NT/XP spouštíme programy pouze z příkazové řádky nikdy
nespouštíme přímo z Windows.Pokud je OS WINDOWS
2000,XP,NT NAINSTALOVÁN JAKO 64-BITOVÁ VERZE TAK PROGRAMY NEBUDOU FUNGOVAT.Programy
jsou uloženy v adresáři PROGRAMY tento je součástí adresáře s popisem k návodu
výroby nabíječky/vybíječky a jsou tři jeden má název DMM.EXE tento program je určen na oživení převodníku je možné ho však
používat ve spojení s modulem jako voltmetr,druhý má název VYBIJENI.EXE,třetí má název ODEČET.EXE,.Ovládání programu dmm.exe začíná volbou portu ten volíme
stiskem klávesy.Ovládací klávesy jsou pro zvýraznění uzavřeny do < >,stiskem
klávesy s číslicí 1 volíme port com1,stiskem klávesy 2 volíme port com2 atd.,po
volbě portu již volíme rozsah měření ten volíme opět stiskem klávesy.Stiskem
klávesy ! D !volíme rozsah do 5V.Navolený rozsah ukončíme stiskem klávesy mezerník,po
této volbě můžeme zvolit rozsah Nad 5V ten volíme stiskem klávesy ! N !,program
ukončíme stiskem klávesy ESC.Program vybíjeni.exe
tento program umožňuje s vybíječem vybíjet baterie,po volbě portu ten se volí
stejně jako u programu dmm.exe,navolíme rozsah podle vybíjené baterie pokud má
vybíjená baterie napětí větší jak 5V zvolíme rozsah nad 5V volíme stiskem
klávesy N,pokud má vybíjená baterie
napětí nižší jak 5V zvolíme rozsah do 5V ten volíme stiskem klávesy D.Za další zadáváme hodnotu vypínacího
napětí při kterém bude ukončeno vybíjení baterie a stiskneme ENTER,program
automaticky ukládá naměřené hodnoty do souboru naměřeno tento si sám vytvoří.Program odečet.exe vytvoří soubor čas.hod
který musí být uložen ve stejném adresáři jako soubor vybíjeni.exe.Zde zadáme
údaj po jaké době se budou ukládat naměřené hodnoty do souboru údaj zadáváme v
sekundách po zadání stiskneme ENTER,jelikož zadáváme údaj zápisu v sekundách a
my potřebujeme aby se údaje ukládaly na disk například po 5 minutách tak zadáme
300.Proč 300 jedna minuta má 60 sekund a pět minut je 5 * 60 = 300.Takto
zadáváme hodnotu i pokud chceme zadat zápis i po jedné hodině tj. 60 * 60=
3600.
Nabíječku/vybíječku propojíme s počítačem PC všechny přepínače
přepneme do polohy VYPNUTO !,vypínač VP1 přepneme do polohy ZAP. Na počítači
spustíme program vybijeni.exe zvolíme port rozsah napětí a připojíme vybíjenou
baterii do zdířek označených na nabíječce NAB./VYB.Na nabíječce/vybíječce máme
možnost sledovat vybíjecí proud a na monitoru PC pak napětí baterie při
vybíjení.!!! POZOR
PŘEPÍNAČ OZNAČENÝ TEST BATERIE MUSÍ BÝT BĚHEM VYBÍJENÍ BATERIE POMOCÍ POČÍTAČE
V POLOZE VYPNUTO !!!!.Uložené naměřené hodnoty napětí v souboru
se dají zobrazit v jakémkoliv manažéru (M602,Volkova,NC) klávesou F3,je možné
je dále zpracovat v programu EXEL do grafu.
Program Odečet.
Po spuštění programu zadáme hodnotu po jaké chceme aby byl zapisován měřený údaj podle popisu výše a stiskneme ENTER.Program vytvoří soubor cas.hod tento musí být umístěn ve stejném adresáři jako program vybíjeni.exe tento z něho načítá hodnotu odečtu,pokud chceme změnit dobu odečtu tak již nemusíme spouštět znovu program Odečet.exe ale tuto vytvořenou hodnotu můžeme přepsat v jakémkoliv manažéru po volbě klávesy F4.Pozor musíme však již mít jednou vytvořený soubor čas.hod pak toto takto můžeme provést.
DTR.....4 DTR....20
RTS.....7
RTS....4
CTS.....8
CTS....5
TXD.....3
TXD....2
GND.... 5
GND....7

REZISTORY :
R1,R2,R3,R4........10K
TRIM TP1...........2M2 VÍCEOTÁČKOVÝ
CERMETOVÝ 64Y NEBO 64Z
INTEGROVANÉ OBVODY : IO1......TLC549,
IO2......MAA7805
DIODY :
D1,D2.........BZX 4.7V(NEBO JINÁ NA
4.7V/0.25W)
KONDENZÁTORY :
C1,C2....100NF,
PŘEPÍNAČ PŘ.7 typ : KNX2
KABEL PĚTIŽILOVÝ 2M,
KONEKTOR S KRYTEM PODLE SÉRIOVÉHO
PORTU,

REZISTORY: R5....12K, R6....5K6
TRANZISTOR T1...KF507(nebo jiný s UCE
30V/ IC 1A)
DIODY D3,D4...KA261,KA207,1NN4007
PŘEPÍNAČ
MODELÁŘSKÝ 1ks,
LED DIODA D5...2V/0.002..0.005A
RELÉ RE1...typ : G5V2-5
Bližší informace : vagnervlastimil@seznam.cz
Tel.:
+420 607 405 007