ČASOMÍRA PRO TRÉNINK
A ZÁVOD DVOJIC
Vlastimil Vágner
Přípravek vznikl po zkušenostech
s první verzí časomíry, modul se připojuje na sériový port počítače.Navržený
přípravek (modul) může být provozován několika způsoby. V prvním případě je
použit společně s počítačem a stopkami,v druhém případě po přepnutí
přepínačů do ručního ovládání je možné použít pouze modul společně se stopkami v posledním
případě je použit pouze s počítačem.Zapojení má hlavně sloužit k vlastní
inspiraci při výrobě podobných zařízení a ti kdož programují si jistě napíší
vlastní program přímo pod Windows.V žádném případě si toto zapojení neklade za
cíl konkurovat továrním výrobkům vyráběným pro tyto účely.
POPIS FUNKCE
MODULU
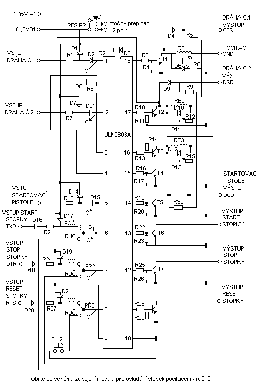
Modul je navržen pro dvě závodní dráhy tzv.soutěžní dvojici ovládá signalizační světla a zvukový výstup na terčích po dokončení závodu dvojice, dále ovládá vstupy start,stop,reset použité časomíry(stopek) tato je použita jako v prvním případě a byla uveřejněna v PE8/2006.Může být použita i jiná časomíra která má uvedené vstupy v rozsahu signálů TTL,čidla mohou být jakákoliv vstupy modulu jsou navrženy pro napětí 12V-15VDC.
Popis funkce modulu kdy je připojen počítač a stopky,po připojení kabelů od čidel umístěných na drahách na vstupy označené „vstup dráha č.1“ a „vstup dráha č.2“,připojení startovací pistole na vstup označený „vstup startovací pistole“ připojení počítače na výstupy označené „výstup dráha č.1“ „výstup dráha č.2“,“startovací pistole výstup“,dále připojení počítače na vstupy modulu označené „vstup start stopky“, „vstup stop stopky“ , „vstup reset stopky“.Připojení vstupů stopek na výstupy modulu označené „ výstup start stopky“ , „výstup stop stopky“ , „výstup reset stopky“,dále přepínače PŘ1 až PŘ3 přepnuté do polohy počítač.Dále připojíme na kontakty relé RE1 signalizační zařízení pro dráhu č.1,na kontakty relé RE2 signalizační zařízení pro dráhu č.2 a na kontakty relé RE3 zvukovou signalizaci.Pokud nyní startér stiskne spoušť na vstupu integrovaného obvodu označeném „vstup startovací pistole „ se dostane kladné napětí.Toto napětí na výstupu z integrovaného obvodu je vyhodnoceno počítačem a tento signálem na vstupu „start stopky“ provede spuštění stopek výstupem označeným „výstup start stopky.Pokud se nyní na vstupu integrovaného obvodu označeném „vstup dráha č.1 nebo vstup dráha č.2“ dostane z čidla kladné napětí je toto vyhodnoceno a na patřičném výstupu se přivede na vstup počítače a současně se sepne relé RE1 nebo RE2 dle aktivace vstupu.Sepnuté relé signalizuje soutěžícímu že splnil úkol např.(při soutěži hasičů zasáhl cíl),tento vstup dle aktivace čidla zůstává sepnutý i po odeznění signálu(napětí)z čidla a současně je přivedeno na další vstup integrovaného obvodu.Pokud v obou drahách soutěžící splní úkol sepne se relé označené RE3 které sepne zvukovou signalizaci tato signalizace je společná se signalizací optickou na drahách a současně je čas zobrazen na displeji stopek je aktivní do doby než obsluha provede „reset“ pomocí otočného přepínače označeného RES.PŘ..V počítači se uloží časy do souboru a současně počítač zastaví stopky a je připraven na další závod.
Popis funkce modulu kdy jsou připojeny pouze stopky vše je zapojeno shodně jako v předcházejícím případě pouze není připojen počítač.Přepínače označené PŘ1 až PŘ3 jsou přepnuty do polohy ručně při výstřelu startovací pistole dojde ke spuštění stopek přes přepínač PŘ.1 který je zapojen na výstup označený „výstup startovací pistole“.Vstupy z čidel na drahách mají stejnou funkci a po splnění úkolu v dráze je stejná signalizace pokud dojde ke splnění úkolu v obou drahách je při sepnutí relé RE3 přivedeno současně na přepínač označený PŘ2 kladné napětí které na výstupu integrovaného obvodu označeného „výstup stop stopky“ provede stopnutí stopek na displeji je poté možno přečíst celkový čas soutěžní dvojice.Otáčením přepínače „reset“ označeného RES.PŘ. provedeme vypnutí výstupů označených „výstup dráha č.1,výstup dráha č.2 a zvukovou signalizaci.Reset stopek provedeme stiskem tlačítka označeného TL2.
Popis
funkce modulu kde je použit s počítačem vše je zapojeno shodně
jako v případě kdy je použit modul s počítačem i stopkami pouze nejsou
připojeny stopky.Přepínače označené PŘ1 až PŘ3 jsou přepnuty do polohy počítač
po výstřelu startovací pistole jsou na počítači spuštěny stopky a pokud je
v některé z drah splněn úkol rozsvítí se u patřičné dráhy signalizace
tento čas je uložen do souboru současně je i zobrazen na monitoru počítače,po
splnění úkolů v obou drahách je výsledný čas uložen do souboru současně je
i zobrazen na monitoru počítače a počítač provede i stopnutí stopek a je
provedena signalizace u obou drah světelná i zvuková.Reset tj.vypnutí
signalizací provedeme otočným přepínačem označeným RES.PŘ. „reset“ stopek
provede počítač při dalším spuštění programu.Zobrazování i ovládání programu je
shodné i s připojenými stopkami.
POPIS MODULU
Modul je napájen napětím 5V které se
stabilizuje pomocí integrovaného obvodu 78S05 z napětí 12V-15V které
napájí čidla vstupů a displej stopek modul je tvořen jedním integrovaným obvodem
ULN2803A.Vstupy od čidel drah startovací pistole jsou stabilizovány diodami na
napětí 4.7V navíc od vstupů čidel i startovací pistole jsou vstupy IO chráněny
diodami.Výstupy z integrovaného obvodu jsou přes rezistory zapojeny do
bází tranzistorů T1 až T8 které spínají.Tranzistory T1 až T3 spínají relátka
RE1 až RE3 signalizace zapnutého stavu relé je pomocí led diod D6,D11 a D13,současně
je napětí napájející cívky relátek RE1 a RE2 při sepnutí tranzistorů T1 až T2
vedeno přes diody D4 a D9 na vstupy CTS,DSR počítače PC pokud nejsou
tranzistory T1 a T2 sepnuty jsou vstupy CTS a DSR připojeny rezistory R5 a R9
na záporný pól napájení.Ze vstupu IO který je ovládán startovací pistolí je
signál přiveden na výstup IO do výstupu stopek označený „startovací pistole“ a
současně na vstup DCD počítače PC.Výstupy TXD,DTR,RTS z počítače PC ovládají
vstupy stopek start,stop,reset.Tranzistor T1 při sepnutí současně napájí přes
diodu D3 a rezistor R2 vstup označený „vstup dráha č1“ tím je zajištěno že po
zaniknutí signálu od čidla na této dráze je již výstup trvale sepnutý stejně
takto je zapojen i výstup tranzistoru T2 pro druhou dráhu.Z výstupů označených
„start stopky“, „stop stopky“ , „reset stopky“ jsou ovládány vstupy stopek napětím
5V stejně tak i další výstupy pro PC.Resetovací
přepínač označený RES.PŘ. je vhodné si označit dle čísel vstupů IO a při
závodech resetovat pouze aktivní vstupy.
SEZNAM SOUČÁSTEK
REZISTORY Typ .: R0207 0.6W
R1,R7,R18,R21,R24,R27…..1K3 ,
R5R9,R30….M22 , R6,R12,R15…..200R ,
R4,R11,R14,R17,R20,R23,R26,R29…..15K ,
R2,R3,R8R10,R13,R16,R19,R22,R25.R58…2K5
,
KONDENZÁTORY : C1,C2…100NF (KERAMIKA),
C3…..470uF/25V elektrolytický
DIODY : Typ : 1N4148
D2,D3,D4,D5,D8,D9,D10,D12,D15,D16,D18,D20,D21 ,
ZENEROVY DIODY
Typ: BZX55/4V8 – D1,D7,D14,D17,D19
LED DODY typ : L53SGC – D6,D11,D13
TRANZISTORY Typ :
BC640 – T1,T2,T3,T4,T5,T6,T7,T8
INTEGROVANÉ OBVODY
IO1 – 78S05 , IO2 – ULN2803A + PATICE
SVORKOVNICE DO
PLOŠNÝCH SPOJŮ
TYP : CZM5/3….5KS
, CZM5/2…..6KS ,
OTOČNÝ PŘEPÍNAČ
TYP :
CK1049….POČET POLOH 12 POČET PÓLŮ 1 ,
PŘEPÍNAČ PÁČKOVÝ
TYP: MS244LC 3KS
TLAČÍTKO PÁČKOVÉ
TYP : TS112 1KS
RELÉ TYP : M4-05H
RE1,RE2,RE3
KONEKTOR DLE SÉRIOVÉHO PORTU V PC +
KRYT
POPIS PROGAMU
Program má název závod.exe oproti první
verzi pro toto zapojení časomíry byl zcela přepracován dle poznatků
z provozu.Program je určen jak pro trénink tak pro závody dvojic při
požárním útoku Je určen pod OS DOS jde spustit i pod OS Windows 95/98 zde jde
spustit z příkazové řádky nebo po restartu PC se klávesou F8 zvolí pouze
volba DOS.Pokud je na počítači OS Windows 2000,XP,NT jde program spustit pouze
z příkazové řádky pokud jsou Windows 2000,XP,NT nainstalovány jako
32-bitová verze,v
případě že jsou nainstalovány jako 64-bitová verze program nelze používat.
Po
spuštění programu se volí sériový port kde je připojen modul ten volíme stiskem
klávesy 1 až 4 stiskem klávesy 1 volíme port com1,stiskem klávesy 2 volíme port
com2 atd.Po volbě portu máme možnost zvolit test modulu a připojených stopek
nebo přímo zvolit možnost závod,volbu testu volíme stiskem klávesy „ T „ a
volbu závodu volíme stiskem klávesy „ S „.Po zvolení
volby test se na monitoru zobrazí test stopek poté start,stop a po testu
ukončení stiskni mezerník.po volbě závodu stiskem klávesy S se zadá jméno
soutěžní dvojice tento údaj se uloží do souboru s názvem naměřeno tento
soubor si program sám vytvoří.Po tomto zadání již program čeká na stisk snímače
ve startovacím zařízení pořadí stisku startovacího
zařízení je takovéto první stisk program provede RESET STOPEK druhý stisk
program spustí stopky a na monitoru se zobrazuje doba do konce odpočtu pěti
minut pokud dvojice ukončí přípravu dříve a rozhodčí zvedne praporek obsluha
počítače stiskne klávesu ESC program
vynuluje stopky a připraví na další část závodu,v případě že dvojice nestihne
přípravu do pěti minut program provede ukončení s tím že do souboru zapíše
diskvalifikace a čeká na stisk klávesy ENTER.V případě že dvojice stihla
přípravu na monitoru se po stisku klávesy ESC zobrazí start závodu a program
čeká na stisk snímače ve startovacím zařízení (výstřel ze startovací pistole),po
výstřelu program provede start stopek (pokud nyní dojde k opětovnému
výstřelu do pěti vteřin z jakéhokoliv důvodu program do souboru zapíše
start anulován resetuje stopky a čeká na další výstřel)a na monitoru se
zobrazuje čas dvojice pokud soutěžící v jakékoliv dráze jako první zasáhne
cíl na monitoru se zobrazí v jaké dráze to bylo společně s časem a do
souboru zapíše čas a dráha,po zásahu i druhého závodícího napíše do souboru čas
a současně na monitoru zobrazí celkový čas dvojice a provede stopnutí
stopek.Pokud je dvojice během závodu diskvalifikována což signalizuje
rozhodčí obsluha počítače (stopek)stiskne
klávesu ENTER a do souboru se k této dvojici zapíše diskvalifikováno,.Když
dvojice dokončí závod máme možnost pokračovat jinou dvojicí toto volíme stiskem
2 x klávesy mezerník nebo program ukončit 2 x stiskem klávesy ESC.Pokud se
zvolí další dvojice a vstupy od snímačů drah č.1 a č.2 jsou sepnuty na monitoru
počítače zobrazí VSTUPY AKTIVNÍ a program dokud není
odstraněna závada proveden reset přepínačem RES.PŘ neumožní pokračovat.Po
skončení programu je nutné nastavit systémový čas v počítači pod OS DOS,v
případě že je program spuštěn na počítači s OS Windows 2000,XP,NT není
nutné nastavovat čas.




Bližší informace : vagnervlastimil@seznam.cz